ponovo pom2 universal test system 보호계전기 시험기

PONOVO POM2 series
범용 계전기 시험기

외부 PC 없이 현장에서 단독으로 운용하는 보호계전기 시험 시스템

현장 단독 보호계전기 시험기

POM2는 외부 PC 없이 현장에서 바로 보호계전기 시험을 수행할 수 있는 올인원 시험 시스템입니다.
시험 설정부터 실행, 결과 확인까지 한 대의 장비로 완료되며, 시운전·유지보수 현장에 즉시 투입할 수 있도록 설계되었습니다.

핵심 운용 포인트

PC 내장형 단독 운용

10.4인치 스크린, Windows 기반 로컬 운용

현장 운용 최적화 설계

반복 운용 환경에서도 안정적인 시험 수행

올인원 시험 흐름

설정 → 실행 → 결과 확인까지 장비 1대로 완료

고정밀 출력 성능(보장값)

±0.08%rd + 0.02%rg

지원 보호 기능 및 시험 항목

보호 기능 구분 보호 코드 시험 내용
과전류 / 지락 보호 시험 50 / 51 / 50N / 51N 정정값·동작 시간·출력 신호 검증
거리 보호 시험 21 Zone 동작/방향성 특성 검증
차동 보호 시험 87 차동 보호 로직 검증(변압기/발전기)
주파수 보호 시험 81 / ROCOF df/dt 주파수 이상 조건 및 응답 특성 검증
자동 재폐로 시험 79 재폐로 시퀀스/조건 검증
Binary I/O 연계 보호 시험 86 등 Trip/Alarm/Lockout 연계 검증
동작 시간 및 시퀀스 검증 시퀀스 기반 동작 흐름 검증

보호계전기 시험 범위 및 지원 기능

PONOVO 보호계전기 시험기는 다양한 보호 기능 시험을
단일 장비에서 수행할 수 있도록 구성된 시험 장비입니다.
현장 운용부터 시험실·제조·교육 환경까지, 요구되는 시험 항목을
정확하고 효율적으로 검증할 수 있습니다.

시험 범위의 특징

출력 성능 및 시험 구성

다양한 보호계전기 시험을 안정적으로 수행하기 위한 다채널 출력 구성

제어 인터페이스

시험 흐름 및 운용 방식

시험 설정부터 결과 기록까지,
보호계전기 시험 전 과정을 하나의 흐름으로 수행합니다.

시험 설정

시험 실행

결과 확인​

기록·관리​

ponovo powertest 반한시 전류 보호계전기 시험 화면

보호계전기 시험 설정 및 동작 결과 화면 예시

장기 운용을 고려한 안정적인 시스템 구조

POM2는 모듈 단위 분리 구조로 구성되어,
장기 운용 환경에서도 유지보수와 관리가 쉽도록 설계되었습니다.

ponovo pom2 보호계전기 시험 장비 모듈형 구조

모듈형 독립 설계

문제 발생 시
해당 모듈만 분리·점검 가능

장애 복구 시간 최소화

모듈 분리 구조로
장애 범위 축소 및 복구 용이

국내 기술지원 체계

국내 전문 엔지니어를 통해
신속한 AS 및 기술 상담 지원

ponovo 보호계전기 시험 장비

적용 환경 및 추천 사용 시나리오​

POM2는 보호계전기 시험기로서 변전소 시운전부터 유지보수, 시험실 환경까지 폭넓은 운용 조건에 대응합니다.

현장 중심 사용 환경

시험실·제조 활용 환경

모델 구성 및 선택 가이드

두 모델은 동일한 보호계전기 시험 기능과 전압 출력 사양을 제공하며, 전류 출력 구성(6상/3상)에 따라 선택할 수 있습니다.

POM2-6143

POM2-3243

구분 POM2-6143(6상 전류 출력) POM2-3243(3상 전류 출력)
출력 구성 4x300V/6x15A 4x300V/3x20A
주요 적용 복합·차동·거리 계전기 시험 OCR/GR 보호 계전기 정기 점검 및 유지보수
권장 환경 대형 변전소 / 한전 용역 수배전반 점검·유지보수 현장 / 안전관리 진단

PowerTest
보호계전기 시험 소프트웨어

주요 기능

POM2 전용으로 최적화된 PowerTest는,
현장 보호계전기 시험을 빠르고 반복 가능하게 수행하기 위한
통합 시험 소프트웨어입니다.

PowerTest 는 직관적인 설정과 자동 시험 기능을 통해 보호계전기 시험을
현장에서 빠르고 안정적으로 수행할 수 있도록 지원합니다. 

ponovo powertest 보호계전기 시험 소프트웨어 실행 화면
ponovo powertest 반한시 전류 보호계전기 시험 화면

반한시 전류 시험 모듈 (50/51)

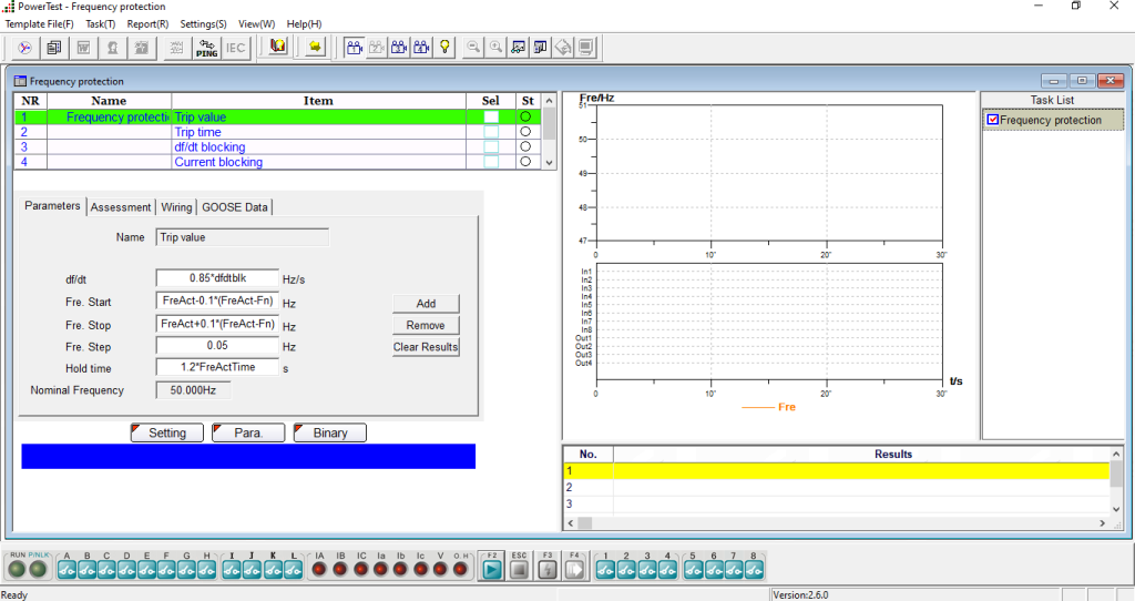
ponovo powertest 주파수 보호 및 rocof 시험 화면

주파수 보호 및 df/dt 시험 모듈 (81, ROCOF)

비디오

POM2 보호계전기 시험기의 실제 시험 구성과 적용 방법을 영상으로 확인하실 수 있습니다.

POM2-6143 / POM2-3243는 보호계전기 시험기(Relay Tester)로,
계전기 시험뿐 아니라 다양한 시험 구성과 현장 운용 환경에 맞춘 유연한 테스트를 지원합니다.

전력 계통 보호 시험, 현장 시운전, 정기 점검 업무에 활용 가능하며,
POM2 가격·견적, 납기 확인, 데모/도입 상담은 PONOVO 한국 공식 대리점 SNTP에서 지원합니다.

SNTP는 제품 선정 → 시험 구성 제안 → 납품 → 기술지원까지 원스톱 대응합니다.

관련 제품 바로 가기

범용 보호계전기 시험기 POM2 시리즈와 교차 검증하기 좋은 장비

견적 및 기술문의

SNTP는 PONOVO 한국 공식 대리점으로 도입 상담부터 납기·설치·기술지원까지 지원합니다.

위로 스크롤